图知网
搜索
首页
热门推荐
图片分类
画娃娃火锅菜2274102新鲜蔬菜大白菜手绘装饰10102580白菜新鲜蔬菜
下载原图
相关图片
美味的娃娃菜简笔画
娃娃菜简笔画教程
大白菜怎么画简单漂亮_蔬菜简笔画-简笔画大全
娃娃菜简笔画教程
幼儿园画蔬菜简笔画
04.08~2024.04.12
为你推荐
多风格高冷的气质女生qq头像最新好看的又很精致的女生头像
暗黑迪士尼公主女头
水墨晕染美甲
老虎证券
平开落地窗门star75
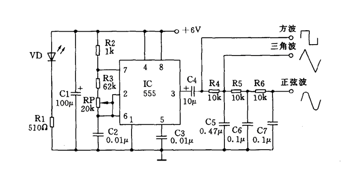
555芯片组成的方波,三角波,正弦波发生器电路图
珍藏天官赐福壁纸头像:花城篇,血雨探花
泸州城西新城片区将建设一批城市公园