图知网
搜索
首页
热门推荐
图片分类
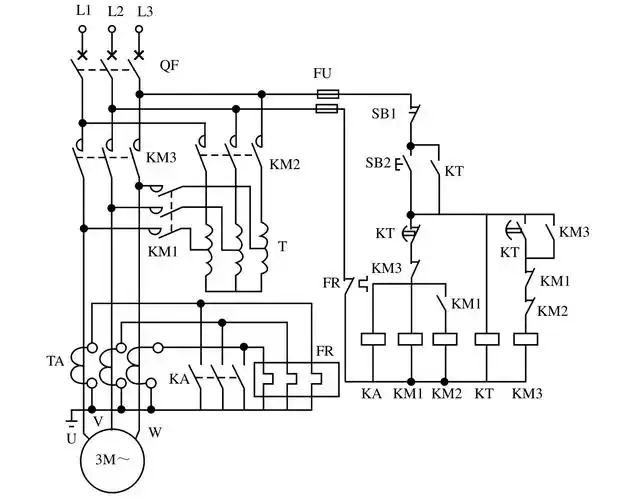
电机自耦降压启动原理图及接线图
下载原图
相关图片
三相交流异步电机自耦变压器降压启动电控线路
电动机自耦降压启动自动控制电路组图
三款自耦变压器减压起动控制电路图
三相异步电动机自耦变压器降压启动控制线路_第2页
11~75型自耦降压启动电路
按钮控制的自耦降压启动电路
为你推荐
梁家辉自爆私下鼓励古天乐找老婆古仔我也很想
呆萌可爱猫咪电脑桌面壁纸图片-动物壁纸-手机壁纸下载-美桌网
搞笑:忍住不笑表情包
布鲁克林篮网
央视主持舒冬:北大法学才子,倪萍接班人,娶了女明星刘若清插图1
水果大全 各种水果图片
婚礼请柬
黑茶色头发会不会老气