图知网
搜索
首页
热门推荐
图片分类
220伏电压所接的接线端是c公共端,另一个线接r端,叫做运行绕组.
下载原图
相关图片
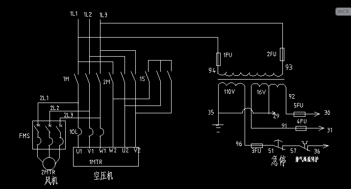
空压机电路图
我有一台空压机 一台电接点压力表 和12v的继电器 请问怎样接线!
空压机接线图
空气源热泵压缩机接线方式和具体接线方法
空压机电气控制图
空气压缩机的继电器接线图
为你推荐
170425奔跑吧公益系列活动发布会 676767 - 堆糖,美图壁纸兴趣
潮图头像个性hiphop
米邵飞剧中的米邵飞(李鸿其饰演)是一个悲情人物,他在夺冠之夜退役,又
楼盘测评太原阳光汾河湾d区交房在即紧邻地铁3号线
艺术晚餐奥古斯特罗丹水彩作品
挖掘机液压鹰嘴剪220挖机鹰嘴剪安装流程
婚纱女王"王薇薇"人老却很时尚,20岁身材穿一身黑,不输年轻人_造型
萌萌的龙凤胎宝宝你们爱吗