图知网
搜索
首页
热门推荐
图片分类
二十四节气之小满时节
下载原图
相关图片
二十四节气小满高清桌面壁纸
二十四节气小满高清桌面壁纸
农分享
二十四节气小满图片带字
24节气——小满
小满/二十四节气/插图
为你推荐
【刘耀文】浅剪一下护目镜小狗吧!_哔哩哔哩_bilibili
陕师大里的小花花|摄影|风光摄影|贵名堂设计 - 原创作品 - 站酷
可以给我一个很全的世界名车标志图吗?
创造营2021吴宇恒
天平秤小学生手工科技小制作小发明幼儿园科学实验材料包创新作品
百简彩砂纸8k4开a4黑色儿童绘画4k8开16开16k彩色沙皮纸单色彩砂纸画4
"不食周粟,采蕨薇于首阳山"的故事,蕨菜故此被后人认为是高洁的象征
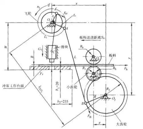
请绘制冲床的机构运动简图