图知网
搜索
首页
热门推荐
图片分类
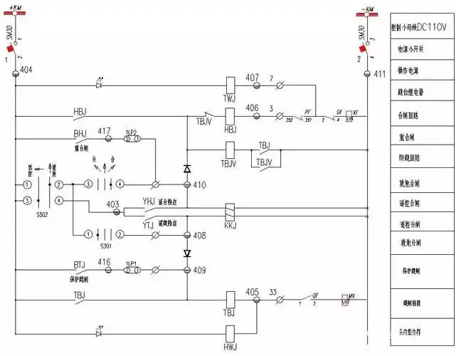
详解二次回路的基本控制原理
下载原图
相关图片
二次回路(如何看懂二次回路图)
规范电气二次控制回路图集 价格: 95土木币vip: 48 土木币 下载dwg源
二次回路(3分钟搞懂电气二次回路图)
二次回路(3分钟搞懂电气二次回路图)
二次回路(3分钟搞懂电气二次回路图)
二次回路识图方法讲解附案例
为你推荐
网络超长发图片大集合1(2)
葵美树环境艺术设--------成都宽窄巷子大妙火锅餐厅
【hellovenus】【 李瑜瑛lee yooyoung】wiggle wiggle雉岳体育馆歌友
魔性头像|这一组绝对是你们想要的 这么独特的头像没有人会不爱吧
组图:崔雪莉公主切发型亮相活动 散发果汁甜美笑容
今天,儿子用他的方式纪念五四,画了一副画.
新年到新品到[爆竹]请财神喽! 2024年第一支伊利冰淇淋 - 抖音
我的世界你可能不知道的隐藏内容mc又在愚人节更新了