图知网
搜索
首页
热门推荐
图片分类
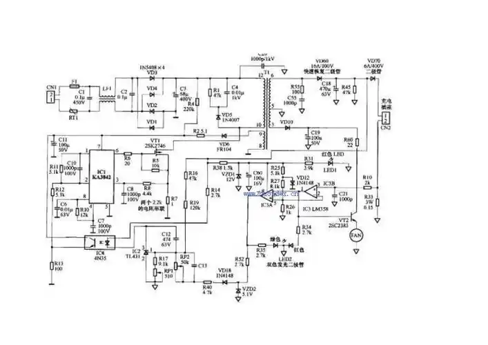
雅迪48v20a充电器电路图
下载原图
相关图片
48v电动车充电器电路图
绿源电动车充电器48v
48v电车充电器图纸
电动车48v充电器原理图与维修
08西普尔小刀sp128-48v型充电器.png
瑞尔48v电动自行车充电电路
为你推荐
车辆登记表模板.docx 2页
五一劳动节手抄报安排上|附文字模板 1,一分耕耘,一分收获,让我们知荣
美服手办黎明使者锐雯
shola 230 tarn gaiter
新年快乐2022详如意_如意_新年快乐_2022表情
印有党卫队"双闪电"的一顶1942型钢盔m1944型1942年,柏林的国防减术
34x7抗旋转钢丝绳参数表
漏电保护器与空气开关接法正确吗