图知网
搜索
首页
热门推荐
图片分类
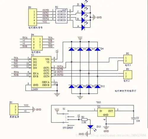
l298n驱动模块原理图
下载原图
相关图片
关于智能小车的l298n驱动电路
l298n电机驱动芯片最小系统怎么接啊可以共地吗
l298n的原理图:9,采用光电隔离 五,额定功率:25w 特点:1,具有信号指示
最详细的l298n模块使用说明
带隔离l298n电路图
l298n电机驱动电路图
为你推荐
他们是unine,就是,摇,这套衣服阿迪的
黑白美女个性头像高清图片
木星的大红斑为什么能存在几百年之久?这里告诉你答案
红色强壮的日冕型态赛罗奥特曼儿童卡通简笔画
简单的折纸花方法图解 手工折纸大全-普车都
瑷缇专业美甲美睫 - 牌匾预览 - 蒙汉双语牌匾翻译审核系统 - nmgpb.
上海陆家嘴城市建筑高清夜景图片壁纸 08 5120*2880
mc34063应用升压电路