图知网
搜索
首页
热门推荐
图片分类
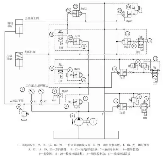
40t四柱液压裁断机电路图
下载原图
相关图片
qc12,y一6/32oo液压摆式剪板机电路图
一种剪板机液压系统
液压摆式剪板机控制回路故障分析与排除
液压摆式剪板机控制回路故障分析与排除
cn106270722b_一种闸式剪板机液压系统的控制方法有效
一种高低速自由切换的剪板机液压系统
为你推荐
怀旧80年代:还记得那些电影海报吗?(1)
杨洋帅还是武艺帅
动漫老婆 #明日方舟#陈cos#新年快乐 #正常穿搭无不良 - 抖音
田馥甄),selina(任家萱)的感情依旧要好,人气也如日中天,更与老公
俄罗斯人,军装,时尚,男人,白人_高清图片_全景视觉
男生霸气侧脸头像
上海女子酒后咬断男友舌头
战锤40k #机械神教 又到了我们色孽狂喜的时间.这次送上 - 抖音