图知网
搜索
首页
热门推荐
图片分类
使小胸部变大的按摩方法
下载原图
相关图片
小胸如何才能变大63用这266招快速升杯
九方小学二年五班《由小变大》绘画作品展
高密市居家美术学习指导 一年级下册美术第五课《由小变大的画》
胸小的姊妹,听我一句劝,这样做还能变大9215
小班比较大小ppt
书香四溢果知屋 一年三班王嘉一 家庭读书会 《变大变小的狮子》
为你推荐
【胭脂】80年代冷门美人朱碧云,甜甜的,含糖量有多高?
动漫日常自截头像随看随更
姐妹们!五一在家给自己安排这道蛋白质满满的蒜蓉 - 抖音
红色圆形生日蜡烛
巫婆
如果近期发现孩子脖子肿了,不要认为是孩子胖了,警惕甲状腺问题
术后切口照片
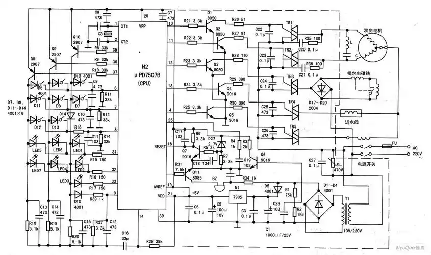
upd7507b在荣事达xqb38-92洗衣机上的应用电路图