图知网
搜索
首页
热门推荐
图片分类
进口o型圈|o型圈规格尺寸表|o-ring|氟橡胶o型圈|耐高温o型圈|上海海
下载原图
相关图片
o型圈新国标
o型密封圈尺寸规格表
o型圈 密封圈 规格表
gb1235-76-o型圈标准
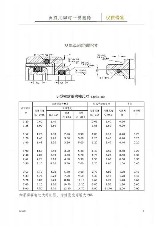
o型密封圈沟槽尺寸表
常用o型密封圈尺寸参照表
为你推荐
三十年来的美女死囚枪决现场照大曝光最小女孩才19岁(图)(全文)
明月山
黑色动物马1080p壁纸1680x1050分辨率下载,黑色动物马1080p壁纸,高清
沈月-堆糖,美好生活研究所
堆糖
14款创意椅子设计
梦龙乐队主唱
骑行青海湖畔 邂逅"最美赛段"