图知网
搜索
首页
热门推荐
图片分类
清凉一下 泳装动漫美少女壁纸大搜集(1)
下载原图
相关图片
【黎歌】夏日泳装动态壁纸——这个夏天和我一起出海吧!
触站网提供原神美图合集-原神泳装图片壁纸浏览,此图片壁纸由p站画师
活动 【重装战姬】无水印泳装cg动态壁纸
yokidou
【1006精选31p】泳装特辑第二弹
动漫泳装美女桌面壁纸
为你推荐
男士大号帽子圆脸棒球帽男大脸大头围适合的棒球帽头大男生胖脸大码
腾冲市滇滩镇龙泉完小四年级橡果课堂《西游记》之大闹天宫
宝宝 壁纸 孩子 小孩 婴儿 1216_1280
cos穹
例外服饰女设计师马可个人作品无用(9)_时尚_中国时尚品牌网
去呼伦贝尔来一场说走就走草原五日游
高清大图直击特战队员实战化练兵掠影_武警新疆总队
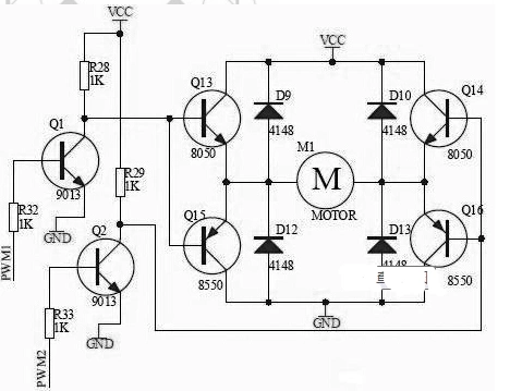
电路也非常简单,电流小于3a可以使用l298n(l298n的原理图我这没有,你