图知网
搜索
首页
热门推荐
图片分类
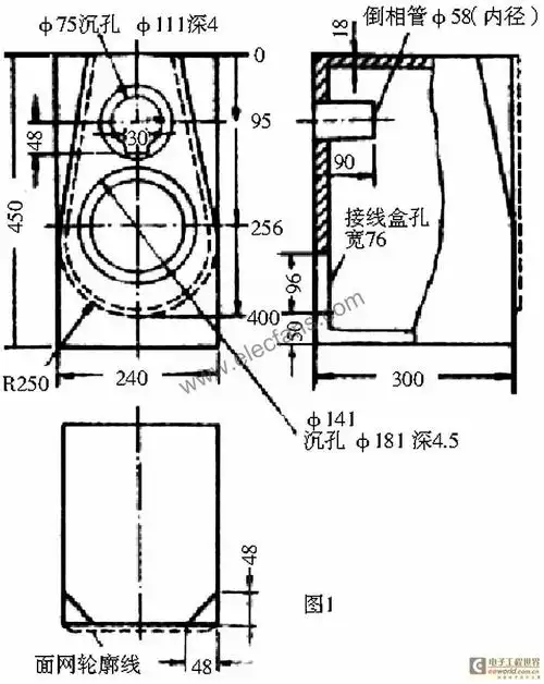
hivi-swans diy e3.1 hifi书架式音箱 diy 喇叭套件 (不含箱体)
下载原图
相关图片
8寸全频nbm 一听钟情 frs8 书架箱图纸
书架音箱组装过程图
惠威音箱图纸
自制书架音箱分享
diy制作仿盟主落地音箱附箱体图纸
玩大喇叭,我来对小的diy制作天朗12寸同轴喇叭书架
为你推荐
一个人的远行
我劳动,我快乐—郑州市京水回民小学开展家务劳动综合实践活动
durex/杜蕾斯超薄装8只装安全套 避孕套成人用品计生用品批发代发
130㎡现代风三居室装修效果图,简而不单,品质家居的正确打开方式
磁湖小学2021年变废为宝手工创意作品展
儿童夹脚凉鞋2020新款夏时尚女童宝宝韩国露趾平底小学生女孩百搭
汽车内饰是什么材料的
蓝色后台审核通过icon图标动图gif