图知网
搜索
首页
热门推荐
图片分类
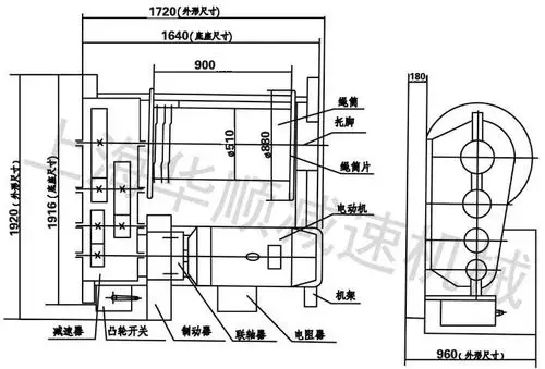
在安装电动卷扬机时的小技巧
下载原图
相关图片
tkk电动卷扬机结构图及介绍
cn1007057b_章动传动卷扬机失效
5绞车说明书
150公斤手摇卷扬机全套图纸
三,jm10卷扬机传动系统图
卷扬机10页ppt
为你推荐
40岁的女性适合的短发#发型#中年女人发型 #40岁的女人适 - 抖音
刘恺威的现任身上一点儿都没有前妻的影子!
九尾
让孩子多看这些打开脑洞的创意,激发他们的想象力和创造力,再去大胆的
聊天必备表情包第361弹可爱情侣日常表情包(拿图吱声)
岸部真明流行的云指弹吉他谱
ai行为分析解决方案--微视图灵(深圳)技术有限公司
北京初九的月亮