图知网
搜索
首页
热门推荐
图片分类
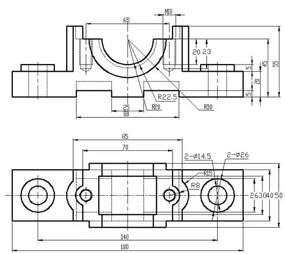
通用技术-三视图专题训练.doc
下载原图
相关图片
通用技术三视图专题练习.doc
通用技术三视图
浙江版易考通通用技术选考宝典电控基础刷题草图设计三视图全集 基础
高中通用技术三视图设计练习题选编pdf版含完整答案
通用技术三视图
通用技术三视图专题练习二
为你推荐
刘敏涛深v礼服裙秀好身材 笑容优雅淡定
牙齿卡通拟人简笔画口腔
生活在北极地区的因纽特人为补充能量以生肉为主食身体状况如何
momo@゛千尘墨ぅ@不死之身@喜欢嘉凯瑞嘉al嘉请拉黑我@妍逸@妖道爱
教师节倡议书 | 不忘初心,尊师重教,共度健康教师节
实探芜湖城南松鼠小镇,性价比到底如何?对比方特你更喜欢哪个?
电子检测报告怎么盖骑缝章?
自然风光沙滩河流森林 简介 大