图知网
搜索
首页
热门推荐
图片分类
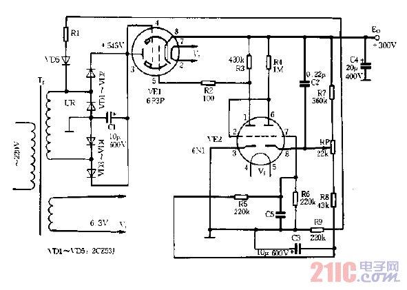
求高压稳压电路
下载原图
相关图片
电子管式稳压电源电路图
上张最近做的全电子管稳压电源
用晶体管制作的电子管机高压稳压电源
5款电子管稳压电源线路及测试
电子管交流电子稳压器电路图
采用电子管的稳压电源电路
为你推荐
米白色圆领竖条纹双长袖针织衫
迪斯尼-公主,高清图片,电脑桌面-壁纸族
景甜御女风性感写真图片桌面壁纸
坐姿髋外展
客厅落地大钟欧式机械实木落地钟座钟立钟中式立钟
5.11抓绒衣变色龙软壳2.0夹克511户外防风保暖外套防水男48373
素材分享|鸽子飞翔翅膀绘画参考素材
国画大师崔如琢精品国画_价格68000元【松风阁艺术空间】_第1张_7788