图知网
搜索
首页
热门推荐
图片分类
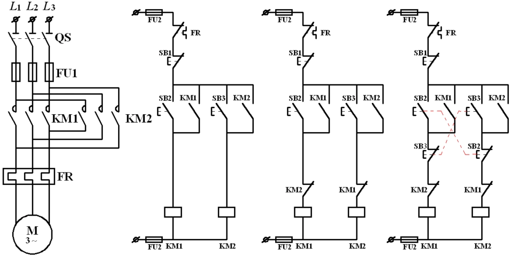
电工必备:22个经典电路图,不会看电路图的电工不算合格电工
下载原图
相关图片
互锁电路原理图,电路基础知识,电工必备基础电路
中级电工实训课题
盘点8大经典电工电路原理图-电工千万别错过 值得收藏-kia mos管
电气分享8个经典电工电路原理图全都搞懂您就是老师傅
电工实操考核中,最重要的7张电路图(行家收藏)
电工必备:22个经典电路图,不会看电路图的电工不算合格电工
为你推荐
那我走网络热词卡通艺术字
逆水寒##追命##顾惜朝
祛湿趁冬天怎么可能瘦不下来
想知道脸上为什么会突然冒出超大颗的红色痘痘吗?
【存档】外科手术结
林平之被叫做"兔儿爷"如此生气,知道意思后:杀他都是轻的
可爱的小梅花鹿的油画
中国长春卷烟厂关东烟烟标