图知网
搜索
首页
热门推荐
图片分类
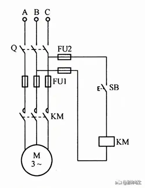
谁有电机控制电路图啊
下载原图
相关图片
每日一图,单相电机自动往返运行控制电路.1,实现单相电动机的 - 抖音
电动机顺序启动控制电路 有粉丝朋友叫我讲讲电动机顺序启动控制电路!
电动机常见的点动电路和自锁电路 - 工业控制 - 电子发烧友网
几种常见的电机控制方法
免费文档 所有分类 工程科技 电子/电路 常用电动机控制接线图
控制要求:按下启动按钮sb1,电机m工作;如果按下停止按钮sb2,电机m延时
为你推荐
死亡直线纹身 超简约的一条线纹身作品图片
海豹部队御用美国mechanix超级技师战术手套
纳粹十大美男子都有谁二战德国军官一个比一个帅照片
火影忍者手游表情包 在我们面前你毫无胜算
鹿的 strong>简笔画鹿 /strong>的简笔画简单漂亮
世界地形图中文版全图,世界地形图中文版高清版下载 - 8264户外8264.
咏梅古诗词 于国光新品隶书《王安石·梅花》【作品来源:易从网
威镇阁俗称八卦楼,坐落在漳州战备大桥桥头左侧,始建至今已有400多年