图知网
搜索
首页
热门推荐
图片分类
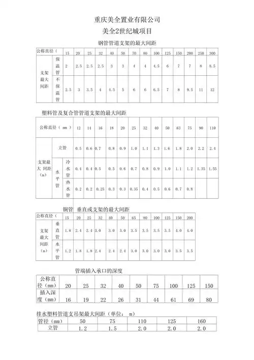
管道支架最大间距一览表(新)
下载原图
相关图片
电气给排水消防通风管道支吊架间距
管道支架间距
管道支架最大间距汇总
112277_管道支架重量计算表(计算支架)
建筑给排水管道支架支承间距123
管道支架的最大间距汇总.doc
为你推荐
星座头像带公式女生高清好看的数学公式头像女生星座图片
24岁吴京爱上大3岁樊亦敏,她说赚够500万我再嫁你!结果出人意料
90 寸头男生头像精选 94 一组超酷的寸头男生头像来啦!
怎么教孩子画一幅春天的花朵卡通画(步骤图解)_机灵班
杯加冰橙汁的多维数据集寒冷橙色新鲜照片-正版商用图
晨妤小美女新家沙发到了小女孩坐在单人沙发上幸福感满满真舒服
如果艺术是自我,陈列就是突破自我
全都是命啊