图知网
搜索
首页
热门推荐
图片分类
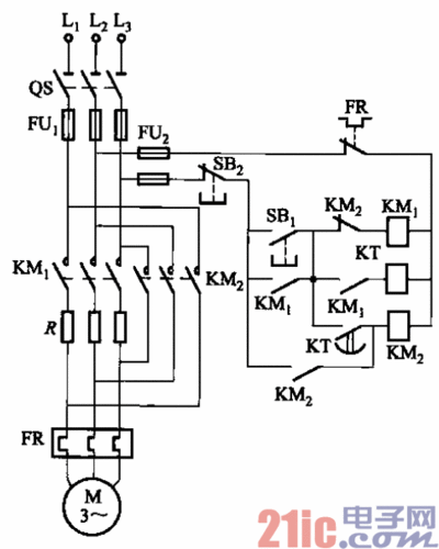
定子串电阻降压起动电路
下载原图
相关图片
采用电阻降压启动的电动机控制电路
定子回路串电阻降压启动自动控制电路
职中专业课职中机电(学习情景6(降压启动控制电路))通用
绕线式转子异步电动机串接电阻降压启动电路
定子回路串电阻降压启动按钮控制电路
定子串电阻降压启动原理图解
为你推荐
组图:章子怡利落短发造型复古摩登 着白色纱裙温婉优雅如白天鹅
牙疼及其他
lemon指弹谱米津玄师吉他独奏谱完整六线谱
见证生态转型发展之路#没有什么时候比黄昏时的日落更充满柔情和浪漫
这是因为小杨鼻梁上的痘痘,长在了面部危险三角区(从两侧口角至鼻根
wwe鲁瑟夫受伤,与拉娜感情不合? 鲁大师本人正式回应!
1717班生物作业心脏图
77动漫头像丨自截青春期猪头樱岛麻衣77等待咲太的学姐打电话