图知网
搜索
首页
热门推荐
图片分类
两台水泵,一用一备,手/自动控制
下载原图
相关图片
水泵手动和自动控制电路图
手动操作的自耦降压启动控制电路
电动机自动与手动控制电路图
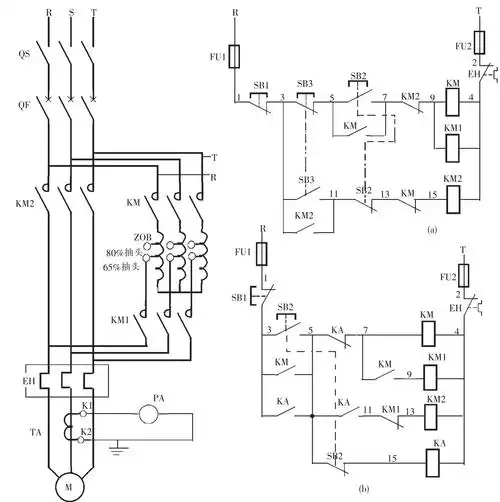
控制线路: 主电路 手动控制 自动控制
自动投入控制电路
电动机单向控制电路及工作原理 电动机单向控制电路见图12-1.
为你推荐
宋亚轩手控福利他的手是不是十八楼最好看的
最美童星小芈月长大了, 可是颜值下降严重被网友狂吐槽|刘楚恬|网友
可爱的便利贴们
旧台币纸钞全集
王者荣耀头像盾山
名字贴刺绣幼儿园可缝女孩
五帝钱旗舰店大样五帝钱昌福宁福东宁东临一物一图85分真品散币
社区出示健康码佩戴口罩温馨提示海报设计