图知网
搜索
首页
热门推荐
图片分类
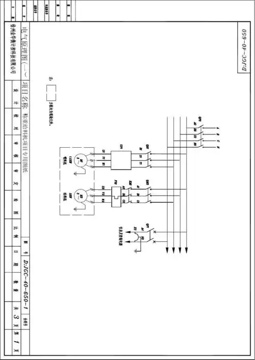
一种自动控制给料机的电气控制系统
下载原图
相关图片
水泵自动控制电路图
三相异步电动机接线图 三相异步电动机维修 三相异步电动机控制电路
螺旋称重给料机及星型给料机电气原理图
poe监控系统实物接线方法5,顺序启动延迟控制线路接线电路图6,电动机
天车的电路图(4个接触器控制前后上下的就行)实物接线图
自动投料控制器电路图
为你推荐
原创蔡徐坤学猫叫表情真逗陈立农晒和猫咪自拍爱猫男孩你pick哪个
白底证件照可以穿白色衬衣么
凸显家庭地位的情侣头像哦喜欢的话就拿走千万别客气
田英章,田蕴章毛笔行书大字帖,你觉得他们两兄弟谁的行书更好?
二次元动漫大头贴,打扮华丽,天真烂漫,楚楚动人的小萌妹!_头像
尚雷仕浴缸扇形浴缸家用成人情侣冲浪按摩浴缸小户型恒温扇形浴缸
和你讲道理恐怕一辈子都讲不清 - 斗图表情包 - 斗图神器 - adoutu.