图知网
搜索
首页
热门推荐
图片分类
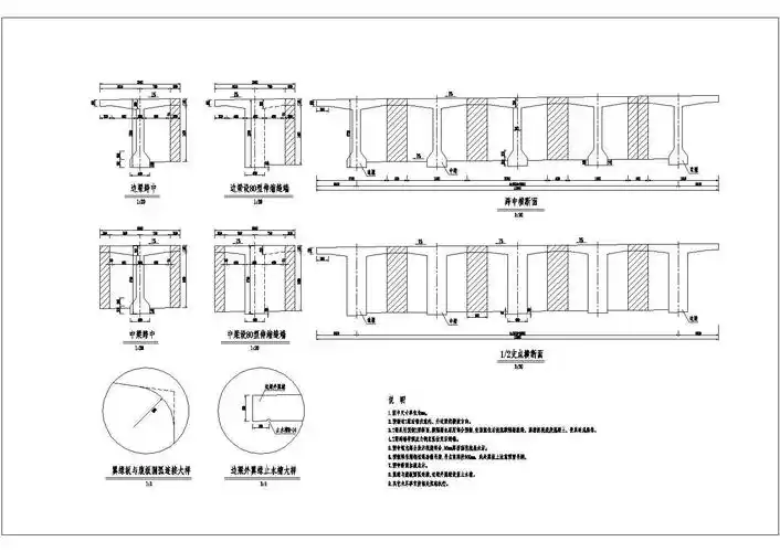
某大桥40米t型梁结构图
下载原图
相关图片
t梁结构图
预应力混凝土t梁计算
20米t梁毕业设计(论文 dwg图纸)
预应力钢筋混凝土简支t形梁设计
t形截面梁ppt课件
40m混凝土连续(刚构)t梁施工图
为你推荐
手癣与汗疱疹症状对比一,真菌检查结果如为手癣的水疱,取疱膜进行
马廷强到医院探望老婆黎姿马廷强到医院探望老婆黎姿马廷强到医院探望
电影《扶贫主任》剧照
河南登封少林寺
《约会大作战》第4季定档,将于2021年10月开播!
图文国产最新型两栖步兵战斗装甲车
孕妇宫高腹围测量及标准
拉萨地区行政区划