图知网
搜索
首页
热门推荐
图片分类
吴磊长相特点与表演风格的相互作用(上)|吴磊|表演_新浪新闻
下载原图
相关图片
#吴磊电影草木人间#
#吴磊尊嘟假嘟##草木人间南宁校园路演#
#吴磊#
#吴磊林亦扬##吴磊在暴雪时分#
吴磊长相特点与表演风格的相互作用(上)|吴磊|表演_新浪新闻
#吴磊林亦扬#
为你推荐
2/ 6ck以往代言人广告大片张艺兴,林允,许光汉,刘雨昕,jennie,田柾国
2021最吉利好运的微信文字头像
【市域社会治理现代化】宣传海报(六)_澎湃号·政务_澎湃新闻-the
自然奇观 日月同辉
温故|第一面五星红旗升起
抹茶旦旦表情包更新辣!抹茶旦旦版泰裤辣! 抹茶旦旦加一!90-1
多功能打磨焊接工作台
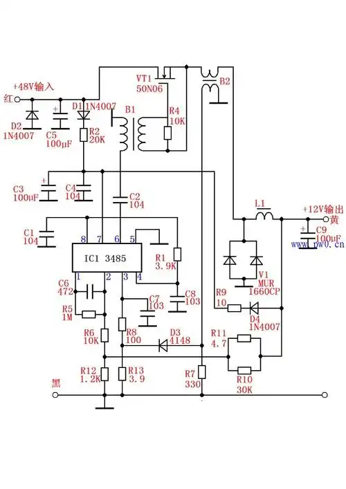
48v/转12v直流转换器