图知网
搜索
首页
热门推荐
图片分类
常州人气商圈对面全是历史遗迹却鲜有游客知道
下载原图
相关图片
苏州古桥之一
常州有个景点为纪念北宋大文豪苏东坡而建建筑整体小而精致
常州老运河上的桥
水乡之城常州,有水之处必有桥广济桥,为常州最古老的三孔石拱桥,造型
古桥是独特而寻常的风景常州这样的江南水乡(感谢《品读常州》提供
常州古桥不完全图录
为你推荐
龟山汉墓_云龙湖_景区
珠海厦门哪个省的
只愿得着你 吉他谱_简谱_乐谱吧
杨玉环复原图终于完成,美貌惊人,和1位明星竟有9成像
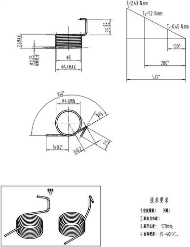
弹簧扭簧加工定制图纸查看采购商
柴火移动灶台家用带鼓风机无烟大锅老式铁锅锅灶野餐炉具
陈豪爆陈茵媺拍完新剧专注家庭为老婆拍写真不介意身材分享
34岁香港女演员持续咳血半小时患支气管扩张症 医生说没得治_网易订阅