图知网
搜索
首页
热门推荐
图片分类
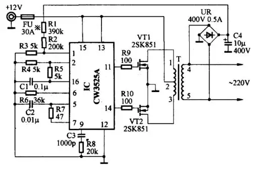
将48v12v转换器改为充电器
下载原图
相关图片
电动车转换器电瓶车降压器36v48v60v72v伏转12v电压变压器转换器
12v升48v升压器电路图
48v电动车充电器改成12v的方法
48v转12v的dcdc转换器电路图
电动车直流转换器 dc36v48v60v72v96v120转12v10a20a电瓶车转换器
禾尾车用智能12v48v60v72v转220v2000w800w家用5000w大功率逆变器
为你推荐
混剪 橙红年代
《4k超清自然风景无水印》图片总有你喜欢的一款,持续更新中!
认识花草#美丽月见草花语:1.默默的爱2.不羁的心
黑色星期五
女士t恤裁剪图
华强北手机王子陈金凌的故事他的老婆抓到了吗
永定土楼vs南靖土楼打卡大鱼海棠攻略
2023 pre-season testing - bahrain - day 1-47.jpg