图知网
搜索
首页
热门推荐
图片分类
立式高速泵运行故障分析及改造_彭亚博
下载原图
相关图片
(二),密封结构说明 该泵的轴封有c1型标准机械密封,c3,c3b,c4型专利
大牌品质 a4fo250/30l-vpb25n00 高压定量柱塞泵 斜盘式液压泵
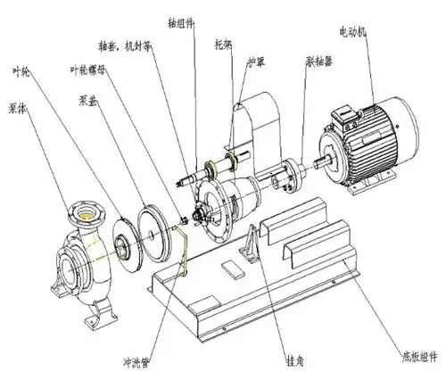
cz泵结构图
立式高压往复泵结构介绍【高压柱塞泵】
4种博世油泵结构,原理及失效分析
结构图
为你推荐
王源
出生时头围平均为?
机械制图尺寸标注
富丽堂皇的中国古代珠宝
我 em>爱 /em> em>老公 /em>/ em>老婆 /em>
新鲜鲣鱼不做刺身,用火烤得半生不熟,切成片高价卖给顾客
大山雀鸟类图片鸟类大山雀
天下第一家谱修纂,八岁宗主担纲总裁 - 孔子世家网