图知网
搜索
首页
热门推荐
图片分类
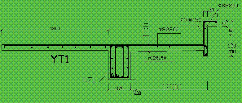
阳台栏板中钢筋如何布置见下图
下载原图
相关图片
10分请教阳台钢筋设置和画法
钢筋绑扎有问题吗,阳台悬挑1.
阳台配筋怎么布置
楼面钢筋,阳台外挑1米5.请专业人士帮忙看看配筋有没有问题.谢谢.
2人安装阳台钢筋
请教各位老师如图阳台造型筋怎么画计算钢筋更准确
为你推荐
我觉得高露实在是太漂亮了,堪比高圆圆,你觉得呢?
第五人格2024龙年版##第五人格五龙迎春##第五人格
国债逆回购一折手续费
中流砥柱的意思解释及典故故事—深圳学区地图
扬帆起航再创辉煌头像
179798 f何济公.复方硫酸新霉素滴眼液(的确当)
新植物:魅惑菇投手(植物大战僵尸魔改版)
活动作品天刀手游主线第三十三章袁青青泄露天机白玉京癫狂之谜