图知网
搜索
首页
热门推荐
图片分类
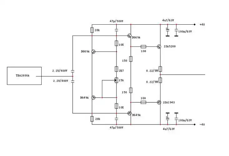
请问各位大侠,前辈,这个是什么电路?
下载原图
相关图片
准备退休后diy的功放
求个差分功放电路图!
功放电路图.jpg
这个电路图干嘛用的?
我上传几张317的相关电路
后级2sa1943 2sc5200功放制作输出音量很小和灵敏度
为你推荐
七尾人力柱:芙
原创天不怕地不怕就怕王一博拍吻戏主动到让我腿都软了
酷酷拽拽的95后男模,浑身散发着时尚气息,有颜值更有肌肉!
自摸都不要四川麻将小麻将解心宽成麻我要上热门
一堆红薯图片_一堆红薯图片大全_一堆红薯图片下载
对江西服装学院视传专业的忠告
给鹅们安利一部美剧!李小龙遗作:战士
长城推出全新越野王20t8at还有三把锁售价1758万起