图知网
搜索
首页
热门推荐
图片分类
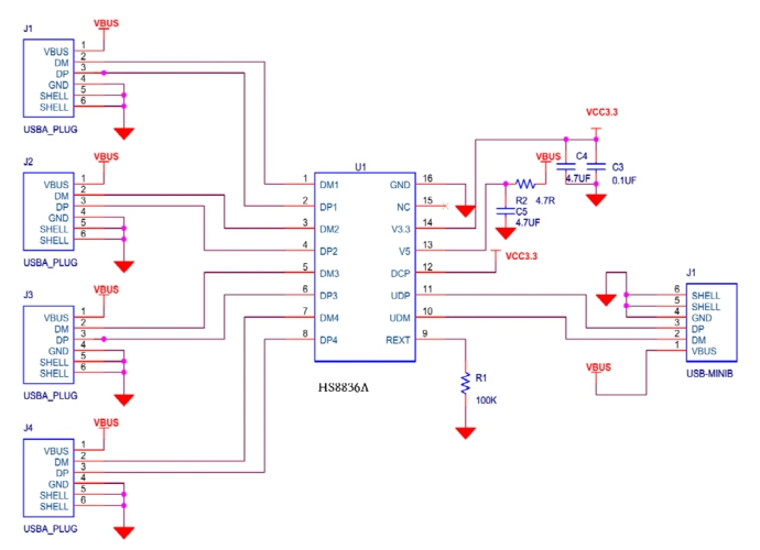
基于usb接口的充电电路的制作方法
下载原图
相关图片
手机usb接口电路图
usb各型转串口电路图
usb接口电路原理图
usb供电电路
0开发板上的usb转串口电路(ch340t)
usb拓展器hs8836原理图
为你推荐
可爱简单的小鲨鱼简笔画来啦!
穿衣颜色搭配口诀
firstlove_rose
有一种乡愁,叫李子熟了!李子树年年挂满枝头,只是多年也没人 - 抖音
分享一下我画鼬神的经过第一次画火影里的角色,不足之处还请指教教程
首先有网友拿新版教科书的ellen baker老师和旧版教课书的ann green
读图,完成下列问题(地球中间的线为晨线)
说到卷发,肯定要仔仔细细把卷发类型认识一遍吧,最近比较流行的卷发