图知网
搜索
首页
热门推荐
图片分类
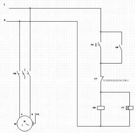
自锁电路中,就接触器a1(图圈起来部分)那根线接的是什么,求大神告知
下载原图
相关图片
朋友们大家好我是大俵哥,今天我们一起来看一下时间继电器怎么自锁.
继电器自锁电路
继电器常用自锁电路图
简单的继电器自锁开关控制电机电路
接触器的自锁是什么看了就知道-电子发烧友网
时间继电器自锁接线图
为你推荐
古天乐:颜值崩塌,面部僵硬疑似整容,近照被指撞脸三星堆|蔡明|发型
冰箱贴彩虹软胶磁贴早教贴儿童幼儿软磁贴一套 英文字母(一套26枚)
自存杨颖头像
草书酒字
热点资讯 在上海,一般的包子就叫馒头.
头皮上长成片的小红疙瘩 很痒 挠后很疼 破溃 痛苦不已 求大家帮助
金刚石
渣男全屏高清壁纸.#你的壁纸被我承包了 #美女 #手机壁纸 - 抖音