图知网
搜索
首页
热门推荐
图片分类
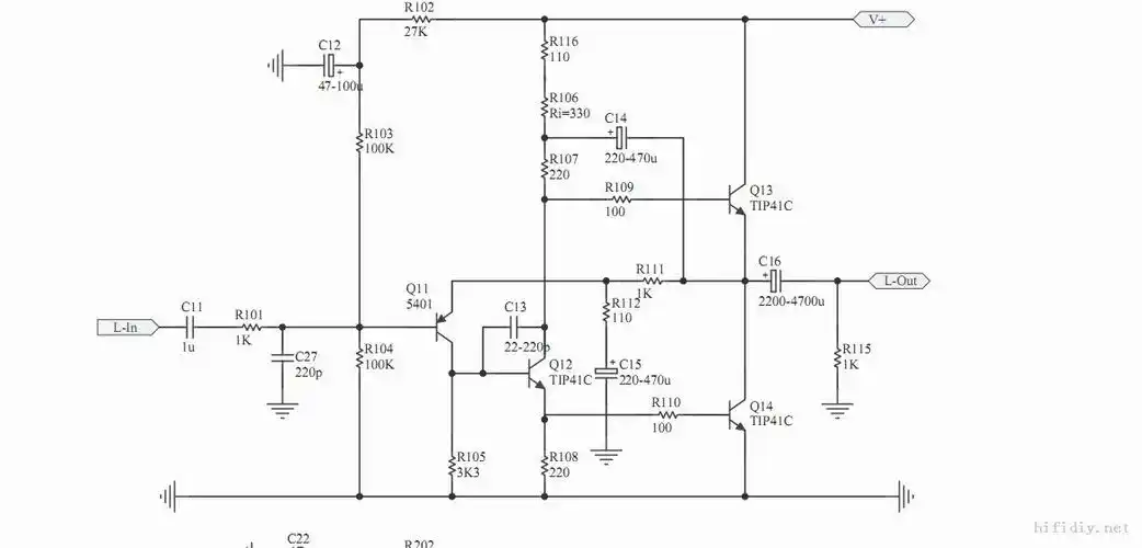
单独开一贴讨论这个1969电路
下载原图
相关图片
有没有用锗管做的3w1969
1969 电路.jpg
请大家来说说1969功放
从电路结构分析,再探1969好声原因
1969原版电路图
比1969还简单只有三只场效应管的甲类功放
为你推荐
男童发型|谁说小学生不能帅帅的?
游龙戏凤
《兰亭序》周杰伦 完整版
q版多人姿势素材#绘画参考##q版
发现| 女孩子的裙子下面是什么呢?
雪菜黄花鱼
偶像梦幻祭葵裕太葵日向双子
再来看一下柿子树,树上结了果实,种子在果实里面,茎和叶也好区分,花期