图知网
搜索
首页
热门推荐
图片分类
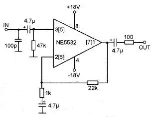
无忧文档 所有分类 工程科技 电子/电路 反激开关电源的每一个元件
下载原图
相关图片
采用单电源时的应用电路-分立元件放大电路图-电子产品世界
求同步rs触发器 实际电路元器件电路图 即三极管级的 不要 与非门符号
用2sa2151和2sc6100制作的分立元件功放-555单稳态电路图-电子产品
lm2876构成的ocl功放-分立元件放大电路图-电子产品世界
50v 3a 稳压电源电路图-整流单元电路图-电子产品世界
经典分立元件功放电路图-分立元件放大-维库电子市场网
为你推荐
【蒲公英的约定】--仅此纪念飓雨中飞散的蒲公英
中短发女孩这样烫超好看!氛围感真的绝了!
李圣经 - 堆糖,美图壁纸兴趣社区
中益乡小学一所乡村小学的蜕变
装修封窗用通明防水胶水 站粘性好四季可用装修缝隙防水透明胶
周深2021中国品牌日晚会##周深 交换##周深悬崖之上主题曲##周深
超炫舞美现场策划搭建flow福禄ximf电音节