图知网
搜索
首页
热门推荐
图片分类
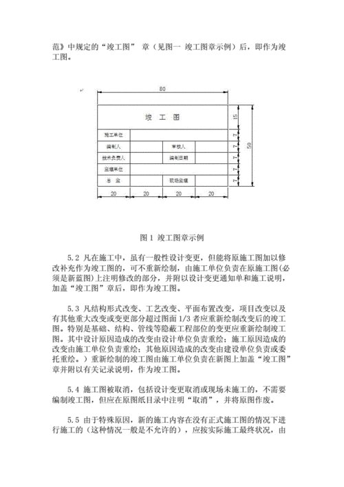
桩基竣工图共2页
下载原图
相关图片
电力工程竣工图文件编制规定(dl/t5229-2016)
竣工图绘制范及标准.doc
公路工程竣工图表编制说明
dl/t 5229-2005 电力工程竣工图文件编制规定
竣工图的编制及审核要点doc6页
某工程竣工图编制说明
为你推荐
王一博 #q版人物
个性艺术签名.要能手写模仿的,需要设计的名字是"张丹丹"谢谢啦
奔雷剑 第五集
大师笔下的身穿白衣裙的优雅美丽女孩们艺术名画
可爱的蓝精灵简谱第1页
可要笑死我了开心soogifsoogif出品gif动图_动态图_表情包下载_soogif
大家熟知的黄鼠狼,与虎鼬称得上是"远房亲戚".
【投票啦】成都八中学科节—语文学科海报设计评比(二)