图知网
搜索
首页
热门推荐
图片分类
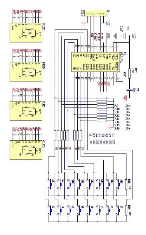
很牛的键盘电路
下载原图
相关图片
什么位置有讲究吗?主板上没标出来阿?
键盘,显示电路的 pcb 设计
跳线短接主板上的jme插针_接线图分享
gyj0307自定义hid键盘串口转hid键盘模块原理图程序源码说明书
矩阵键盘接线方法是什么?
扫描式键盘录入电路
为你推荐
【exo】lucky one和monster打歌舞台(超清)
overlord头像 自截 雅儿贝德
老人葵种子树苗种孑华盛顿棕榈树多年生春季华棕种籽香草植物种子
经典浪漫国语情歌爱很简单结婚婚礼通用背景
t-eagle突鹰eo4-16x44霍克分化后置前调带灯长瞄准镜_义乌市正虎光学
十字绣(十二金钗)
默认专辑
良医肖恩海默