图知网
搜索
首页
热门推荐
图片分类
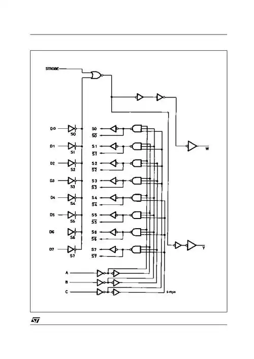
verilog——74hc151八选一数据选择器并扩展为16选1数据选择器
下载原图
相关图片
m74hc151m1r
用数据选择器74ls151实现接线图
【sn54hc151 , sn74hc1518号线到1线数据选择器/多路复用器scls110e
74ls151应用电路图大全(全加器表决器)
74ls151集成电路数据选择器 -解决方案-华强电子网
一,编码器与解码器原理
为你推荐
小桃泳衣分体
线稿 情侣 kiss 图片来自网络
火山攀岩需要多少q
素材jk制服人物绘画
摄影大师robertmapplethorpe静物作品
唐大唐唐朝旗帜古代旗帜京剧旗
海利304不锈钢管围墙护栏
千日红杯苗 千日红袋苗 四季开花 园林绿植地被 大量批发