图知网
搜索
首页
热门推荐
图片分类
卡通暑假做家务帮妈妈洗碗收拾房间小报家务劳动小报手抄报
下载原图
相关图片
我帮妈妈做家务手抄报
我帮妈妈做家务手抄报!我帮妈妈做家务手抄报,带线稿可分享# - 抖音
母亲节帮妈妈做家务洗碗打扫洗衣服小报手抄报
帮妈妈洗衣服家务好帮手手抄报
帮妈妈洗衣服做家务小报图片素材(psd分层格式)下载_暑假手抄报大全
小报我帮妈妈做家务小报手抄报电子小报小报2_第1页
为你推荐
邓伦近况曝光!素颜出镜不惧镜头,博物馆背手看文物,像遛弯的大爷
欧洲"袖珍王国":盘点卢森堡大公国的各种经典美食
学校明天就需要蓝底照片而我手头只有艺考白底的定妆照.求大神p成蓝
中国神仙体系24:四灵之青龙
渣反
成人二胡演奏速成
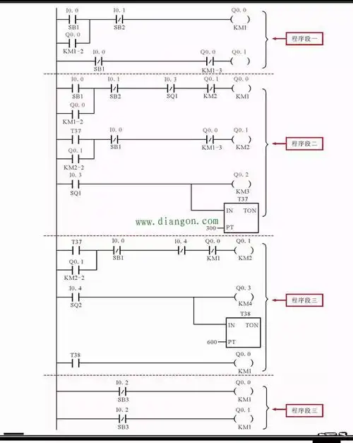
运输车自动往返控制的plc梯形图编程案例
这座强巴大佛为雍和宫"三绝"之冠,它的巨大,从脚至顶高达18米,且地下