图知网
搜索
首页
热门推荐
图片分类
半挂车电源连接线挂车7芯连接线螺旋线总成挂车七孔电线插头插座
下载原图
相关图片
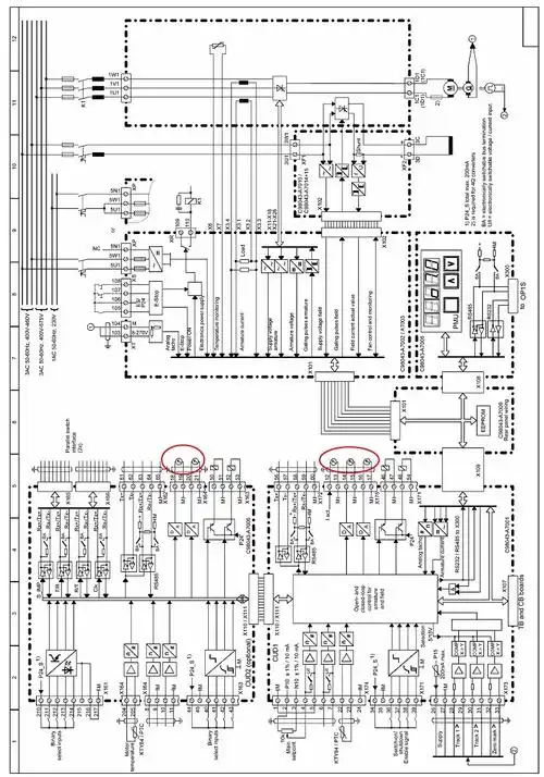
这是电源内部的接线图_接线图分享
车兰达正泰汽车货车半挂车卡车电源连接线七孔插座24v纯铜7芯螺旋线
欧曼gtl牵引车的电源和启动电路
其他控制电路07
商品作用: 连接主挂车,为挂车abs提供基于iso7638标准的独立稳定电源.
汽车货车半挂车卡车电源连接线七孔插座24v纯铜7芯螺旋线通用
为你推荐
10位最美瓜子脸美女明星,杨幂杨颖唐嫣上榜,个个都是美女明星
颜文字表情图片包
服装设计连衣裙款式图
(1-12岁)儿童身高体重标准表2021年最新版 如今大家的生活水平提高了
我为群众办实事敖汉旗看守所开展青年文明号示范活动
春季职业装连衣裙女2020新款时尚气质女通勤女装轻熟ol端庄大气工装
▽.idol头像 李英超 灵超 by.林乐桐-堆糖,美好生活研究所
一幅乔丹投篮姿势的海报的电子版