图知网
搜索
首页
热门推荐
图片分类
请各位大虾帮帮忙看看怎么选择小模数尺寸的侧隙
下载原图
相关图片
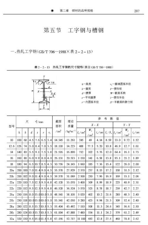
工字钢与槽钢剖面模数
模数石材
工字钢与槽钢剖面模数
齿数很多的小齿轮 模数如何确定
齿轮模数参数计算
8类齿轮模数参数计算公式供参考了解
为你推荐
火影忍者手游旗袍天天技能连招详细解说一百零一期
撒贝宁西安游老婆李白穿唐装美若杨贵妃撒老师瞪大了眼睛
后背鲤鱼纹身图片_成品背部传统动物纹身图案
2021年 happy new year(1064x453)aipng2021新年创意数字排版斜杠
想请问下我国有这种军服了?这种是什么军服?为什么要这么设计?
吴越影视网站建设工作的简单介绍
先活下去其它的我再想想办法解决
北京东城吉娃娃价格_北京东城吉娃娃多少钱一只_纯种吉娃娃幼犬专卖