图知网
搜索
首页
热门推荐
图片分类
丙酮酸脱氢酶的结构,功能与相关疾病 - 知乎
下载原图
相关图片
丙酮酸脱氢酶的结构功能与相关疾病
丙酮酸需要先跑到线粒体中,在丙酮酸脱氢酶复合体的催化下生成乙酰coa
自然科学 化学 柠檬酸循环ppt 生物化学 16-4 丙酮酸脱氢酶复合体
丙酮酸脱氢酶(pdh)活性检测试剂盒 可见分光光度法 科研
丙酮酸脱氢酶系(多酶复合物)
丙酮酸脱氢酶缺乏症怎么治生酮饮食竟是一线疗法
为你推荐
王耀庆媳妇郭晏青:丈夫成名背后满是心酸,每月探班,虽累但幸福
100%的电量头像 电量100满格头像_微信头像图片大全
红色中国风手绘新年春节元旦牛年2021艺术字png素材2021年牛年新年
酥炸巴沙鱼排
现在的我,想开了也看淡了,凡事不强求,顺其自然就好,留下的好好珍惜
原2698 意大利时尚圣龙女包 单肩圣龙包小s金杏色st222-06ac
diabolik lovers##魔鬼恋人#逆卷怜司
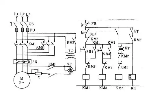
点动与自锁控制电路设计经验 - 3721研发网