图知网
搜索
首页
热门推荐
图片分类
金属齿条(压力角14.5°) c1na130040 爬爬网 - bom工业品供应链平台
下载原图
相关图片
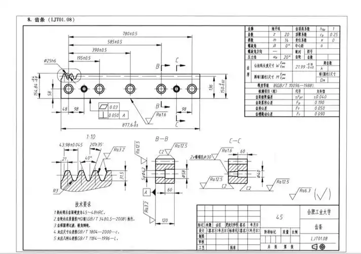
王静图册-ljl01.08 齿条
大模数,高精度的齿条制造工艺,这个不简单_加工
齿条cad下载(68.33k,dwg格式)_毕业设计_机械cad图纸 - 工百科
转向齿条.pdf
帮忙计算齿条的参数_百度知道
圆柱渐开线齿轮齿形的形成_三晖机械科技
为你推荐
24 岁宋雨琦短发赛车服造型曝光,好身材藏不住,痞帅风格惊艳全场!
发动机故障标志
黑白迷宫_电影海报_图集_电影网_1905.com
0006 丙子(1996年)作 老子出关图 立轴 纸本设色
时都会纠结柜子颜色搭配,今天专门罗列了一些市场上常见的柜门搭配
央视主持人桑晨:21岁进央视,工作28年零绯闻,丈夫身份至今成谜
通用机械设备 包装机械 封口机 【特别推荐】sf-150型豪华版连续封口
新疆最神奇的县