图知网
搜索
首页
热门推荐
图片分类
行尸走肉海报,影视-手机壁纸
下载原图
相关图片
行尸走肉亚特兰大市海报,影视-手机壁纸
行尸走肉 - 堆糖,美图壁纸兴趣社区
行尸走肉海报
行尸走肉 第一季(2010)
行尸走肉第10季下半季发布角色海报,老角色回归引期待口碑再提高
瑞克回归行尸走肉电影版僵尸之地2曝新海报
为你推荐
回顾昆凌嫁大14岁歌手周杰伦婚后连生三胎今一家五口其乐融融
港风复古卷时尚回流烫发
窦骁何超莲婚变?新婚夫妻分居,女方探班男方却只顾玩手机
金智秀在队内是大姐,lisa讲过刚到韩国时语言不通,金智秀常常带她出去
各款式的柴火灶
受伤的小人简笔画图片素材
【魔道祖师】学生还看着呢!羡
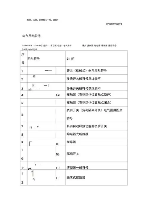
电气开关图形符号