图知网
搜索
首页
热门推荐
图片分类
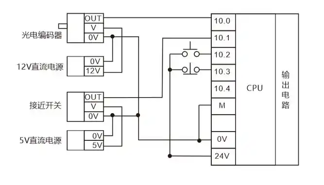
图3plc输入输出及cn1外部接线图
下载原图
相关图片
plc输入输出接线图
plc接线图:左边输入,右边输出那种,两种方式控制电机星三角启动(自动
plc输入输出接线图-io接线图
一图让你搞懂plc输入端和输出端的接线问题
最全plc输入输出各种回路接线
很详细的plc输出和输入点接线方式汇总
为你推荐
穿西装男生头像 - 男生头像 - 潮人个性网
动漫女头高冷忧郁御姐头像高冷霸气的女生动漫头像
在德国养一台车多少钱 德国宝马车多少钱【汽车时代网】
北京首都国际机场安检员黄琬婷用心尝试成为更好的自己
张颂文演我减肥
"炫腹"狂魔-c罗写真来袭!
腰椎间盘突出影像学课件
红头水鸡