图知网
搜索
首页
热门推荐
图片分类
电路图
下载原图
相关图片
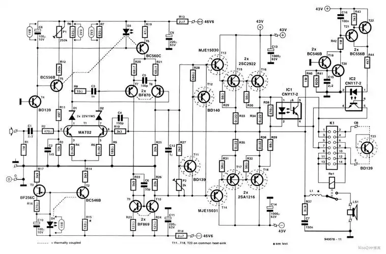
整流滤波电路请教
功放滤波怎做?并联2个电容在电容上并联2个0.1uf的电容?
整流元件及滤波元件电路图
商品专题_音频图6是一个为家庭hi-fi用途而设计的50w(b类)功放电路图
差动输入级音频功率放大器分析与测试
功放电路图大全(一)
为你推荐
甜美又很洋气的女生快手头像唯美可爱头像女小清新图片
福美六号院现代简约风格厨房装修效果图
微信头像angelababy杨颖
军武世界游戏中关注度最高的groza突击步枪真枪火力更恐怖
【2233娘】2233娘壁纸
时间线,又称时间轴.
0203_产品图片_台州大巴出租,台州租轿车商务车,台州租车公司电话
160平方米的农村二层小房小宅基地的首选