图知网
搜索
首页
热门推荐
图片分类
手电钻原理图分析
下载原图
相关图片
手电钻调速开关线路板三极管起什么作用
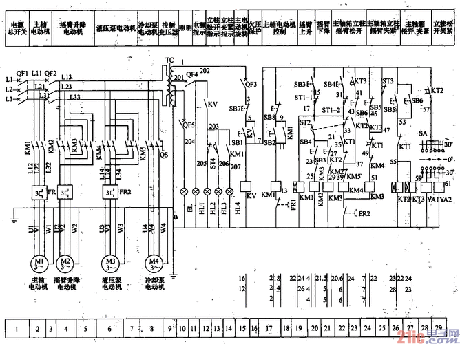
z3040型钻床电路
z3040摇臂钻床电气原理动画
拆解并修复12v锂电钻调速开关刹车失灵并简单分析其工作原理
求教 手电钻是如何实现调速的?
zh3140型摇臂钻床电气原理图电路1
为你推荐
龙耳的人耳朵外形虽然小,但轮廓分明,这样的人的运势也和龙一样,富贵
apple苹果原装充电器iphone7/8/6s/plus/xr 苹果iphone11充电器数据线
名家保真书法《山高人为峰》四尺精裱画轴
汪汪队:灰灰用树枝帮三只小猪盖房子
首页 百度 >正文 电影《纽约人在北京》探班活动众星云集,马布里现场
美兔因为开了vip,所以才有尖脸#弹丸论破 - 抖音
378_275gif 动态图 动图
翡翠佛公