图知网
搜索
首页
热门推荐
图片分类
潞安化工安全理念主题《员工话与画》优秀作品展示
下载原图
相关图片
化工安全生产漫画化工厂安全生产漫画2022已更新今日资讯
漫画说hazop_化工
7组漫画告诉你化工厂安全生产"红"线在哪里!
突发山西太原一化工厂发生爆炸有员工和群众受伤3公里外听到巨响
化工厂集装箱
漫画作品|天元公司:安全漫画"话"安全 神木煤化工产业有限公司
为你推荐
葬花吟.葬花吟#简谱视唱 #乐谱 #器乐教学 #唢呐 #简谱 - 抖音
女儿情(ukulele四线谱(重制版))_简谱
二年级经典比喻句100句.doc 6页
鄂尔多斯草原音乐节明星聚齐嗨翻草原
旗袍礼仪纯色迎宾酒店礼仪小姐服装演出颁奖走秀旗袍
就……没人喜欢马思唯那种又帅又丑的嘛?
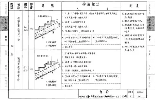
室内台阶做法:详国标05j909一sw7一台7a
哪吒之魔童降世# 票房破4亿啦!创动画. 来自鲨鱼电影 - 微博