图知网
搜索
首页
热门推荐
图片分类
电工机 - 热门商品专区
下载原图
相关图片
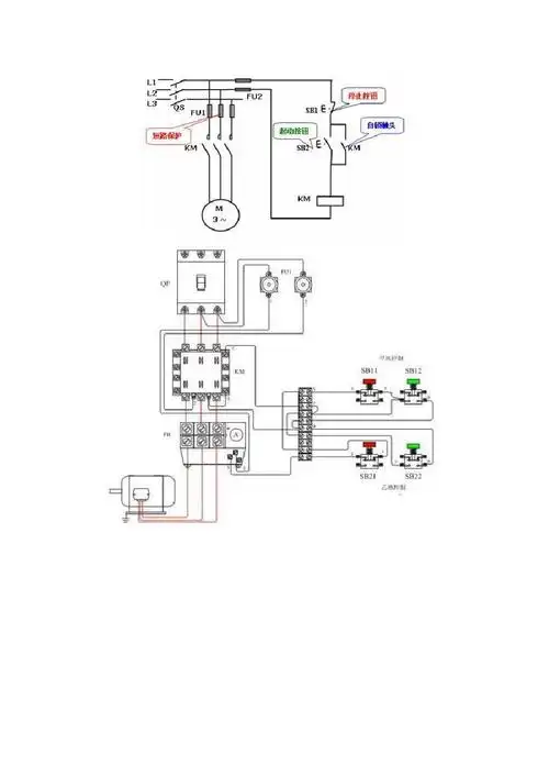
如和实现继电器的自锁和互锁
继电器常用自锁电路图
继电器常用自锁电路图
继电器常用自锁电路图.doc
交流接触器自锁互锁电路图
互锁比自锁稍微难一点,它是两个接触器或者和继电器完成的线路.
为你推荐
南京儿童摄影春天当然要和花花草草合拍啦
盘点来自浙江的30位美女明星个个花容月貌你最喜欢谁
东京大铁塔简笔画原创学费了吗
没对象的女生会存一些叫老公哥哥等很腻歪的表情包吗
麻药灼伤的第三天
见kikikikikikikiki笑
宝职学子"医笔生花",绘人体奥妙,展医学风采_解剖_大赛_数字
手工编绳项链绳玉佩吊坠绳四股挂绳