图知网
搜索
首页
热门推荐
图片分类
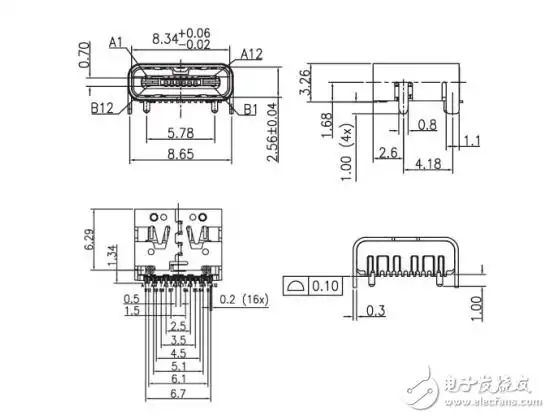
typec充电线接口线图(教你把type - type快充线原理图 - 实验室设备网
下载原图
相关图片
usb 3.1 type-c female to usb 3.0 a female otg short cable usb 3.
type-c焊线母头系列.#源头实力厂家 #爆款热卖中 #值 - 抖音
type-c母座type_c母公头usb3.
type-c16p带板母座ype-c焊线母头带灯双电阻 带绿等焊线母座2芯
typec母座结构图纸
5带5.1k电阻type-c 母座16p五芯焊盘-阿里巴巴
为你推荐
郭敬明出门排队被偶遇,身高对比差距大,住金融街地位不减_杨幂_陈学冬
儿童画和狗一起幸福的家庭.父亲, 母亲, 女儿和他们的房子
尤克里里四线谱怎么看尤克里里初学者四线谱
qq名片背景
梁祝
王少华率西片观摩组督战产业扶贫基地工作
黑色短袖t恤女2022早春新款夏季修身纯棉打底衫薄款学生v领上衣服
9.10丹尼斯校区兰亭墨趣班日上8:00《手工拼贴画:我的老师》