图知网
搜索
首页
热门推荐
图片分类
新手篇轻松看懂汽车电路图中
下载原图
相关图片
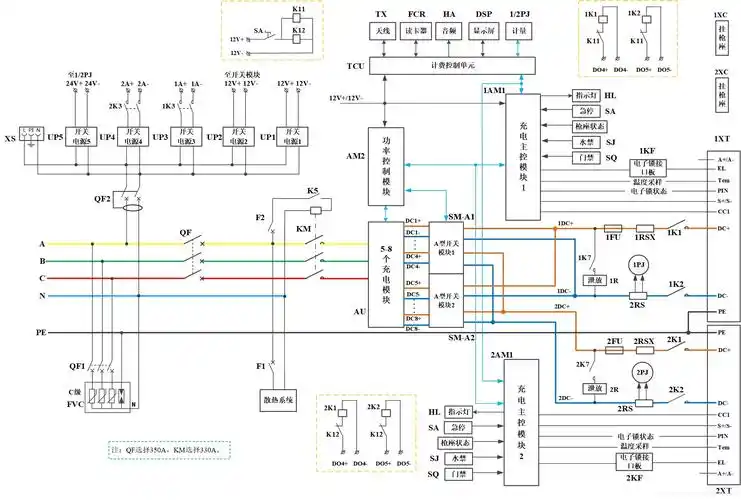
电动汽车充电设备标准化设计方案:电气原理图
【基础入门】新能源汽车电控系统:核心组件与功能解析,图片详解方便
汽车电气电路图
上汽奇瑞qq轿车电路图
汽车电路图的识读 培训资料 空调维修手册 汽车电气系统 全车电路图
2011-12-22 周建平主编的 汽车 电器气设备构造与维修第250页的电路图
为你推荐
【周海媚】女神颜值巅峰时期的采访!
长发男生发型_男士长发型图片大全
卡通动物头像,也太可爱了吧98
钢琴和弦.doc
书法写意人生―白冰先生书法印象
自制伽古拉斯伽古拉usr卡片
我钟爱的情怀车型丰田老皇冠
dvf显瘦新品蓝绿佩斯利花图案裹身裙