图知网
搜索
首页
热门推荐
图片分类
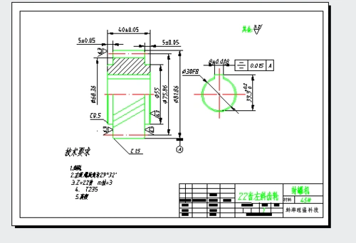
auto cad 中斜齿轮的画法 有谁可以画一个,并且简单写一下步骤?
下载原图
相关图片
标注较完整的斜齿轮下载(79.20k,dwg格式) 机械cad图纸
斜齿轮设计图下载_夹具/工装/零部件_机械图纸 - 机械5
单级齿轮传动低速轴圆柱斜齿轮零件图
二级圆柱斜齿轮齿轮下载(70.00 kb,dwg格式) 机械cad图纸
斜齿圆柱齿轮cad图纸dwg图纸
斜齿轮图
为你推荐
美到窒息!颜值巅峰时期的关之琳究竟有多美?
2021最新高冷头像男,2021最火男生头像高冷-图片大观-奇异网
王雷- 知名百科
乱世佳人自截
手掌张开,用投篮手的手指和掌沿触球,手心不触球(切记~) 右手的食指要
jess做的香菜拌牛百叶
牡丹江周边游中兴村朝鲜族服饰
全国两会丨新当选的中国人民银行行长易纲接受记者采访