图知网
搜索
首页
热门推荐
图片分类
螺杆空压机维修配件mam6070触摸屏一体式控制器
下载原图
相关图片
螺杆空压机维修配件mam6070触摸屏一体式控制器
螺杆空压机怎么安装远程遥控开关
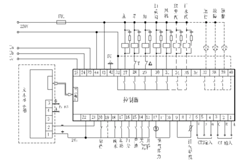
螺杆空压机主控接线图.型号mam-ky12s.采用必重谢!
华达永磁变频螺杆式空压机【操作说明书】第6,7章,电气接线图
plc - 热门商品专区
华达永磁变频螺杆式空压机【操作说明书】第6,7章,电气接线图
为你推荐
高档品牌晚礼服女2022新款宴会气质白色名媛舒适质感长裙主持人礼服
qq名片
女孩背影
一款不容错过的仙女款鱼尾婚纱07.
吉巴当选巴西历史最佳男排运动员
蓝黑自然景观夜晚星光人站立岩石剪影
鱼有寄生虫吗鱼长寄生虫怎么办寄生虫分类及图片
一瓶洗洁精图片简笔画图片少儿图库中国儿童资源网